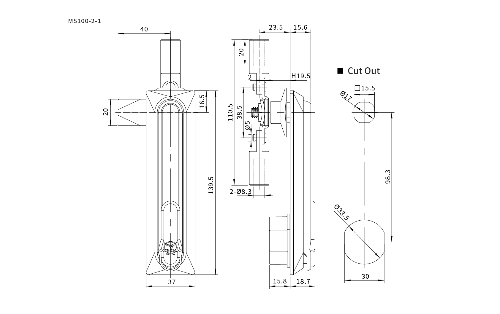
Features
● Material:PA body, Zincplatingcam、fixing parts
● Finish: Rubber feeling sprat paing
● Panel thickness:1~2mm
● Remark: cam cutout □8X8






03.jpg)