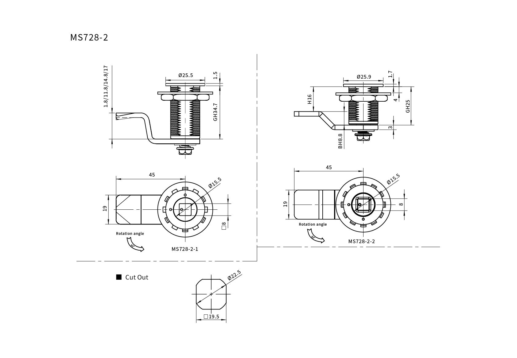
Features
● Material:Zinc die-casting body, Zinc plating cam
● Finish: Bright chrome plating
● Panel thickness: 1~15mm







02.jpg)