首页
中文
|
English
我的列表
|
登录
or
注册
中文
English
产品中心
新品
拉手
锁具
铰链
密封条
附件
不锈钢系列
关于我们
公司简介
发展历程
我们的优势
企业荣誉
新闻中心
申请目录
下载电子版
申请纸质版
服务与支持
代号说明
关于IP等级
表面处理
图标说明
连杆安装图示
止口高度说明
左右开门示意
联系我们
在线商城
www.essentrahengzhu.com
MAKING IT EASIER
您当前的位置:
首页
>
产品中心
>
铰链
> HL044
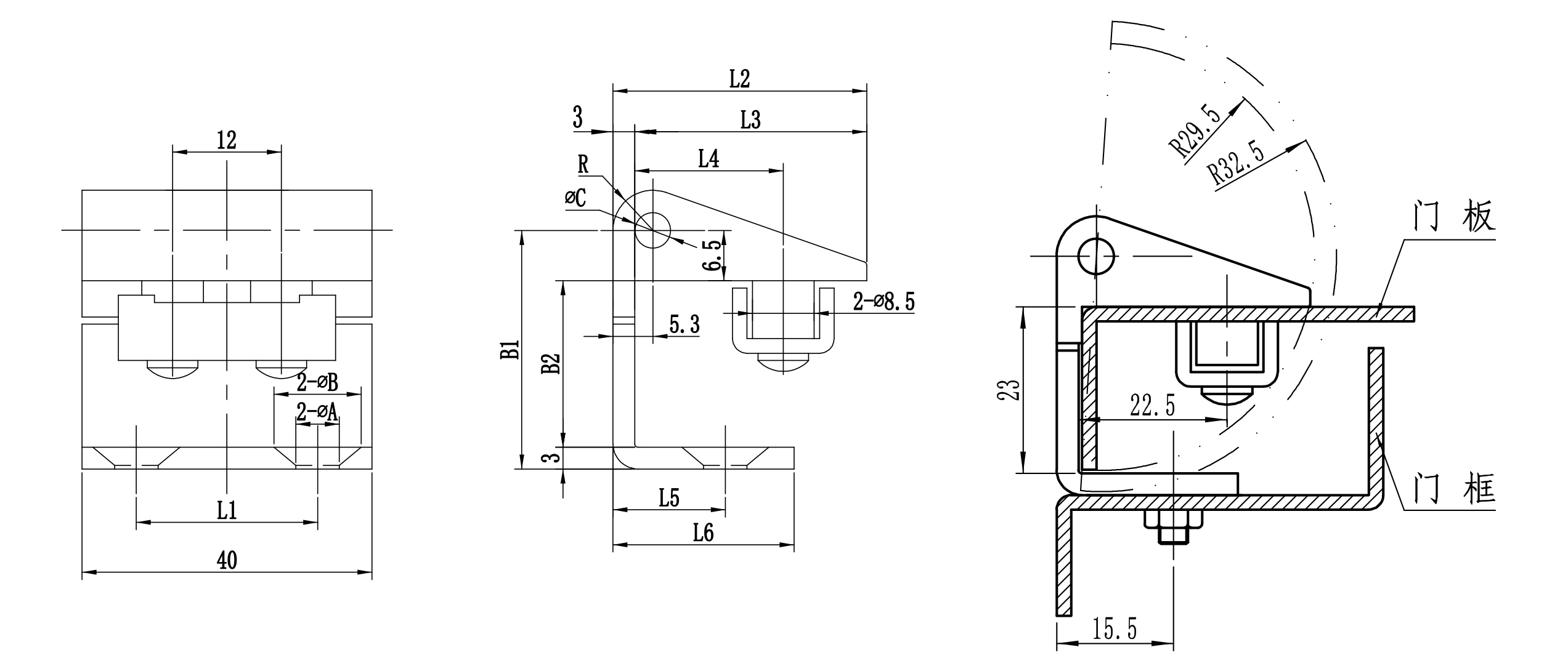
HL044
[图标说明]
特征
● 材质:锌合金静铰链,镀锌钢动铰链和安装板,分不锈钢和镀镍钢销子
● 备注:转动约为180°
材质
● 锌合金
表面处理
● 喷塑
● 电镀
查看更多产品
产品细节展示
规格参数
资料下载
申请纸质版目录册
您已成功申请目录,工作人员会主动联系您确认收件信息,请耐心等待!
确定
申请纸质版目录册
工作人员会根据您填写的个人信息寄出
最新版纸质目录册
确定